I guess that answers my question, I'm too slow to post lol!
V8 Prototypes Alive by Modern Motors Sept 1983 Barry Lake
#176
Posted 06 December 2016 - 11:50 PM
#177
Posted 07 December 2016 - 04:37 PM
​I told you it was a 1973 Pur Pull LJ XU1
#178
Posted 07 December 2016 - 06:44 PM
Consider me told ![]()
#179
Posted 07 December 2016 - 06:57 PM
Thanks Al, Purr Pull it is then although it still doesn't really look like Purr Pull in the pic.
#180
Posted 07 December 2016 - 07:29 PM
#181
Posted 07 December 2016 - 08:00 PM
Yeah its not showing the Purr Pull off that well i agree, old 1970's Photos and light make some colours look different for sure.
#182
Posted 14 December 2016 - 09:25 PM
I remember reading somewhere that the XW7 parts list may have contained something about an 'altered wiring harness' does anyone know what this means or if there is such a record? I haven't been able to find any information on it.
cheers,
Blake.
#183
Posted 14 December 2016 - 09:48 PM
I remember reading somewhere that the XW7 parts list may have contained something about an 'altered wiring harness' does anyone know what this means or if there is such a record? I haven't been able to find any information on it.
cheers,
Blake.
Stands to reason the wiring harness would have to be altered to suit the V8.
#184
Posted 14 December 2016 - 10:19 PM
In what way?
#185
Posted 15 December 2016 - 02:11 AM
was used,either cut, extended or tape taken
off to run wire to a different area.
#186
Posted 15 December 2016 - 05:28 AM
Thanks, I didn't think it was any more than rumour, it's probably why I haven't heard it discussed before.
I was just wondering if they had something different planned such as driving lights and harness relocation etc.
It's all relevant.
Cheers,
Blake.
#187
Posted 15 December 2016 - 06:27 AM
In what way?
The alternator on the XW7 was on the opposite side of the engine to the 6cyl for one thing.
#188
Posted 15 December 2016 - 06:30 AM

#189
Posted 15 December 2016 - 08:57 AM
Edited by xu2308, 15 December 2016 - 09:06 AM.
#190
Posted 15 December 2016 - 09:29 AM
image.jpg 119.68K
3 downloads
Edited by xu2308, 15 December 2016 - 09:32 AM.
#191
Posted 15 December 2016 - 11:55 AM
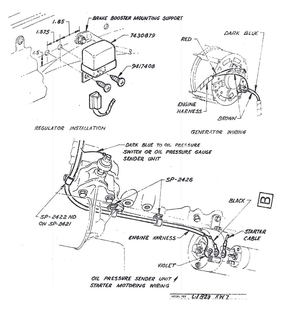
There is a Engine Bay wiring diagram for XW7, remember the Drawings are for the XW7 Road Going Production Car, Joe Felice's Orange LJ GTR was the Engineering Hack and I believe they did the XW7 Drawing from Joe's GTR. The White and Pink GTR's were Pre Production Cars, the Engine fitted in the Pink GTR had the Full Spec XW7 Parts in it and was Blue Printed the 308, the Pink and White GTR were the Bathurst Race Cars for 1972, so there area was pointed in the Go and Handeling side of things.
More than likely the SMP and GW GTR's were the engineering hacks and Joes' LO'R GTR was the pre production car.
Joe's GTR was the only one fully kitted out with all the XW7 specs.
The race teams would have prepared their own V8 XU1's for racing.
#192
Posted 15 December 2016 - 12:54 PM
Edited by xu2308, 15 December 2016 - 12:57 PM.
#193
Posted 15 December 2016 - 01:06 PM
No Dave the Orange Car was the Engineering Car, they did all the drawings off that hence the fully working Tank, the Pink and White LJ GTR were sent to Harry's when Engineering got them going as V8's, hence why the Pink GTR got the Full Spec XW7 hotted up 308 and taken out to Calder by HDT on the 31/5/1972. HDT had the White GTR out at HDT HQ at the same time as Joe Felice organised them to be taken there, Speers drove one of them to Harry's. Frank Loundes drove it a few times.
Yep that sounds about right, the pre production car is the one you would use for the engineering drawings and the hacks went out to the HDT workshop to fine tune their performance but that does not automatically mean they would have been raced at Bathurst.
#194
Posted 15 December 2016 - 03:05 PM
Just wondering about this, that's all.
#195
Posted 15 December 2016 - 03:33 PM
the White and Pink GTR's were the Bathurst Cars and Joe's Orange Car was the spare, Leo Pruneau told me that and Harry told me that in a letter he sent me, that's is why they were at Harry's Dave.Yep that sounds about right, the pre production car is the one you would use for the engineering drawings and the hacks went out to the HDT workshop to fine tune their performance but that does not automatically mean they would have been raced at Bathurst.
#196
Posted 15 December 2016 - 03:38 PM
#197
Posted 15 December 2016 - 03:42 PM
Not sure what is going on with your wiring there, the XW7 wiring is in the Engine Bay Area, what does that wiring lead too ? Or was for on your Car if you know ??Just wondering about this, that's all.
#198
Posted 15 December 2016 - 04:05 PM
Headlights, indicators, horn and driving lights. It is incredibly well insulated. If I wanted to keep my wiring away from exhaust heat, that would be where I'd put it, it runs down both sides, under both guards.
#199
Posted 15 December 2016 - 04:07 PM
Headlights, indicators, horn and driving lights. It is incredibly well insulated. If I wanted to keep my wiring away from exhaust heat, that would be where I'd put it, it runs down both sides, under both guards.
Not an uncommon modification to tidy up an engine bay.
#200
Posted 15 December 2016 - 04:10 PM
Yeah I'd cut holes in my car to make it neater too! ![]()
1 user(s) are reading this topic
0 members, 1 guests, 0 anonymous users









